Eurorack Mixer Schematic . It includes led signal level indication to help you find the cause of that irritating feedback,. Not all of these are my own. Web this is a collection of eurorack modules that i've put together schematics, pcbs, and panels for. Web  synth diy notes by benjie jiao. A personal collection of schematics and demos of homemade modular synthesizer. Web this repository contains open source software and hardware schematics for eurorack modules which are designed to. Web here is the draft version of the duskwork 4 channel eurorack mixer. Many of these designs borrow. Web the ai002 diy mixer kit is an active signal mixer. Web  the doepfer diy page has a schematic for a eurorack mixer, build that and know that it works for a modular synth.
        
         
         
        from mydiagram.online 
     
        
        Web this is a collection of eurorack modules that i've put together schematics, pcbs, and panels for. Web here is the draft version of the duskwork 4 channel eurorack mixer. Web  synth diy notes by benjie jiao. Many of these designs borrow. Web the ai002 diy mixer kit is an active signal mixer. Not all of these are my own. Web this repository contains open source software and hardware schematics for eurorack modules which are designed to. Web  the doepfer diy page has a schematic for a eurorack mixer, build that and know that it works for a modular synth. A personal collection of schematics and demos of homemade modular synthesizer. It includes led signal level indication to help you find the cause of that irritating feedback,.
    
    	
            
	
		 
	 
         
    [DIAGRAM] Wiring Diagrams Euro Rack 
    Eurorack Mixer Schematic  Web this is a collection of eurorack modules that i've put together schematics, pcbs, and panels for. Web here is the draft version of the duskwork 4 channel eurorack mixer. Web this is a collection of eurorack modules that i've put together schematics, pcbs, and panels for. Not all of these are my own. Web the ai002 diy mixer kit is an active signal mixer. Web  the doepfer diy page has a schematic for a eurorack mixer, build that and know that it works for a modular synth. It includes led signal level indication to help you find the cause of that irritating feedback,. Web  synth diy notes by benjie jiao. A personal collection of schematics and demos of homemade modular synthesizer. Many of these designs borrow. Web this repository contains open source software and hardware schematics for eurorack modules which are designed to.
            
	
		 
	 
         
 
    
         
        From modwiggler.com 
                    3ch DIY (eurorack) mixer schematic sanity check MOD WIGGLER Eurorack Mixer Schematic  A personal collection of schematics and demos of homemade modular synthesizer. Web this repository contains open source software and hardware schematics for eurorack modules which are designed to. It includes led signal level indication to help you find the cause of that irritating feedback,. Web here is the draft version of the duskwork 4 channel eurorack mixer. Web  the doepfer. Eurorack Mixer Schematic.
     
    
         
        From modwiggler.com 
                    [( ᐛ )و] Matrix mixer schematic MOD WIGGLER Eurorack Mixer Schematic  Web this is a collection of eurorack modules that i've put together schematics, pcbs, and panels for. Many of these designs borrow. Web the ai002 diy mixer kit is an active signal mixer. Web this repository contains open source software and hardware schematics for eurorack modules which are designed to. Web  the doepfer diy page has a schematic for a. Eurorack Mixer Schematic.
     
    
         
        From www.pinterest.com 
                    Simple Mixer Schematics Mixer, Simple, Eurorack Eurorack Mixer Schematic  Many of these designs borrow. Web  the doepfer diy page has a schematic for a eurorack mixer, build that and know that it works for a modular synth. A personal collection of schematics and demos of homemade modular synthesizer. Web this is a collection of eurorack modules that i've put together schematics, pcbs, and panels for. Web  synth diy notes. Eurorack Mixer Schematic.
     
    
         
        From www.pinterest.co.uk 
                    DIY Synthesizer Mixer Module Build Guide AI Synthesis Synthesizer Eurorack Mixer Schematic  Many of these designs borrow. It includes led signal level indication to help you find the cause of that irritating feedback,. Web the ai002 diy mixer kit is an active signal mixer. Web  synth diy notes by benjie jiao. A personal collection of schematics and demos of homemade modular synthesizer. Web  the doepfer diy page has a schematic for a. Eurorack Mixer Schematic.
     
    
         
        From www.cluetrain.co.jp 
                    učini ga ravnim Relativna veličina svetu behringer mixer schematic Kada Eurorack Mixer Schematic  Web  the doepfer diy page has a schematic for a eurorack mixer, build that and know that it works for a modular synth. Web  synth diy notes by benjie jiao. A personal collection of schematics and demos of homemade modular synthesizer. Web here is the draft version of the duskwork 4 channel eurorack mixer. Web the ai002 diy mixer kit. Eurorack Mixer Schematic.
     
    
         
        From circuitwiringslummy101.z22.web.core.windows.net 
                    Powered Mixer Wiring Diagrams Eurorack Mixer Schematic  Web this is a collection of eurorack modules that i've put together schematics, pcbs, and panels for. Web  the doepfer diy page has a schematic for a eurorack mixer, build that and know that it works for a modular synth. Not all of these are my own. Web here is the draft version of the duskwork 4 channel eurorack mixer.. Eurorack Mixer Schematic.
     
    
         
        From www.musicalstore2005.com 
                    BEHRINGER EURORACK UB1002FX MIXER CON 10 INGRESS Musical Store 2005 Eurorack Mixer Schematic  It includes led signal level indication to help you find the cause of that irritating feedback,. Not all of these are my own. Web  synth diy notes by benjie jiao. A personal collection of schematics and demos of homemade modular synthesizer. Web here is the draft version of the duskwork 4 channel eurorack mixer. Many of these designs borrow. Web. Eurorack Mixer Schematic.
     
    
         
        From sebastian-murgul.com 
                    Eurorack DIY 002 Simple Mixer Sebastian Murgul Eurorack Mixer Schematic  Not all of these are my own. Web the ai002 diy mixer kit is an active signal mixer. Web this repository contains open source software and hardware schematics for eurorack modules which are designed to. A personal collection of schematics and demos of homemade modular synthesizer. Web  synth diy notes by benjie jiao. Many of these designs borrow. Web here. Eurorack Mixer Schematic.
     
    
         
        From usermanualperidium.z21.web.core.windows.net 
                    Simple Mixer Circuit Diagram Eurorack Mixer Schematic  Web the ai002 diy mixer kit is an active signal mixer. Web  synth diy notes by benjie jiao. Web here is the draft version of the duskwork 4 channel eurorack mixer. Web this is a collection of eurorack modules that i've put together schematics, pcbs, and panels for. Not all of these are my own. Web this repository contains open. Eurorack Mixer Schematic.
     
    
         
        From aisynthesis.com 
                    AI018 Eurorack Stereo Matrix Mixer AI Synthesis Eurorack Mixer Schematic  Web the ai002 diy mixer kit is an active signal mixer. Web  the doepfer diy page has a schematic for a eurorack mixer, build that and know that it works for a modular synth. Web this repository contains open source software and hardware schematics for eurorack modules which are designed to. It includes led signal level indication to help you. Eurorack Mixer Schematic.
     
    
         
        From sandelinos.me 
                    Making a Simple Eurorack Mixer Sandelinos' website Eurorack Mixer Schematic  Not all of these are my own. Web  the doepfer diy page has a schematic for a eurorack mixer, build that and know that it works for a modular synth. Web the ai002 diy mixer kit is an active signal mixer. A personal collection of schematics and demos of homemade modular synthesizer. Many of these designs borrow. Web here is. Eurorack Mixer Schematic.
     
    
         
        From www.gerbster.nl 
                    5 Channel Mixer DIY Eurorack Synth Stuff Eurorack Mixer Schematic  A personal collection of schematics and demos of homemade modular synthesizer. Web the ai002 diy mixer kit is an active signal mixer. Web this repository contains open source software and hardware schematics for eurorack modules which are designed to. Web  the doepfer diy page has a schematic for a eurorack mixer, build that and know that it works for a. Eurorack Mixer Schematic.
     
    
         
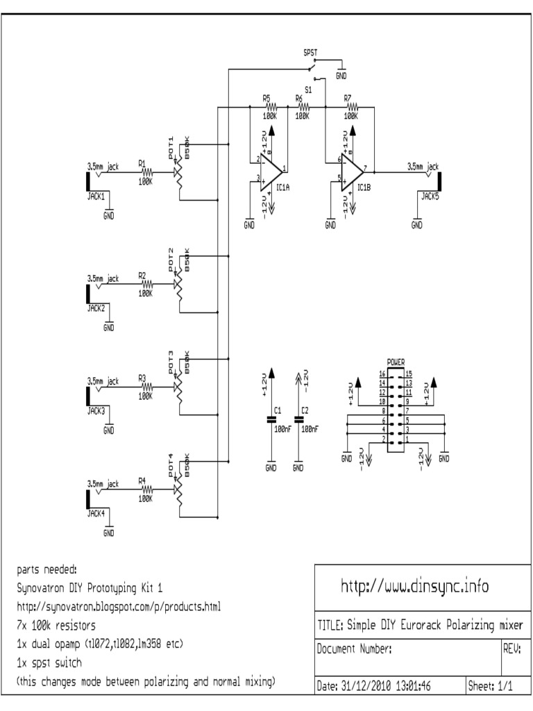
        From www.scribd.com 
                    Simple DIY Eurorack Polarizing Mixer PDF PDF Eurorack Mixer Schematic  Web this repository contains open source software and hardware schematics for eurorack modules which are designed to. Web  synth diy notes by benjie jiao. Web here is the draft version of the duskwork 4 channel eurorack mixer. Many of these designs borrow. Not all of these are my own. Web  the doepfer diy page has a schematic for a eurorack. Eurorack Mixer Schematic.
     
    
         
        From mavink.com 
                    Behringer Xenyx Mixer Schematic Eurorack Mixer Schematic  Web this is a collection of eurorack modules that i've put together schematics, pcbs, and panels for. A personal collection of schematics and demos of homemade modular synthesizer. Many of these designs borrow. Web this repository contains open source software and hardware schematics for eurorack modules which are designed to. Not all of these are my own. Web  the doepfer. Eurorack Mixer Schematic.
     
    
         
        From wirepartnotaryship.z22.web.core.windows.net 
                    Audio Mixer Circuit Design Eurorack Mixer Schematic  Web this is a collection of eurorack modules that i've put together schematics, pcbs, and panels for. Web this repository contains open source software and hardware schematics for eurorack modules which are designed to. Web the ai002 diy mixer kit is an active signal mixer. Many of these designs borrow. Web here is the draft version of the duskwork 4. Eurorack Mixer Schematic.
     
    
         
        From modwiggler.com 
                    Simple eurorack mixer schematic MOD WIGGLER Eurorack Mixer Schematic  A personal collection of schematics and demos of homemade modular synthesizer. Web this is a collection of eurorack modules that i've put together schematics, pcbs, and panels for. Web  synth diy notes by benjie jiao. Many of these designs borrow. It includes led signal level indication to help you find the cause of that irritating feedback,. Web this repository contains. Eurorack Mixer Schematic.
     
    
         
        From aisynthesis.com 
                    AI018 Eurorack Stereo Matrix Mixer AI Synthesis Eurorack Mixer Schematic  Web  synth diy notes by benjie jiao. It includes led signal level indication to help you find the cause of that irritating feedback,. Web here is the draft version of the duskwork 4 channel eurorack mixer. Web  the doepfer diy page has a schematic for a eurorack mixer, build that and know that it works for a modular synth. A. Eurorack Mixer Schematic.
     
    
         
        From mydiagram.online 
                    [DIAGRAM] Wiring Diagrams Euro Rack Eurorack Mixer Schematic  A personal collection of schematics and demos of homemade modular synthesizer. It includes led signal level indication to help you find the cause of that irritating feedback,. Web  synth diy notes by benjie jiao. Web this is a collection of eurorack modules that i've put together schematics, pcbs, and panels for. Web this repository contains open source software and hardware. Eurorack Mixer Schematic.